DOTAZY, NABÍDKY, LEPŠÍ CENA
Sabina Kubrová
+420 724 989 463
Po - Pá 7:00 - 15:30
| Model | AQUAFLAM 25 PANORAMA |
| Vytápěcí výkon | 21-30 kW |
| Max. provozní tlak | 2,5 bar |
| Výkon do výměníku | 21 kW |
| Klapka | Ano |
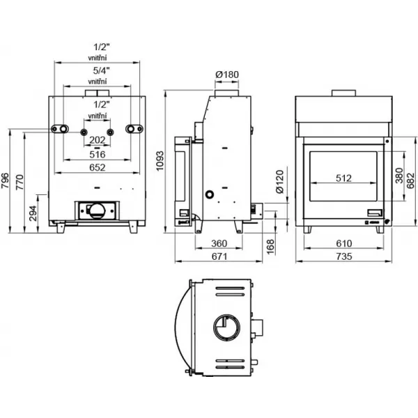
| Připojení kouřovodu | Horní |
| Délka polena | 550 mm |
| Průměr kouřovodu | 180 mm |
| Distribuce | CZ |
| Emise CO (Při 13% O2) | 0,1 |
| Externí přívod vzduchu | Ano |
| Materiál | ocelový plech 4 a 6mm |
| Normy | EN 13229, BImSchV – Stufe 2, 15a B-VG, DINplus, Flamme Verte |
| Ochlazovací smyčka | Ano |
| Palivo | dřevo, dřevěné brikety |
| Popelník | Ano |
| Rozměr skla | Š x V) 570x410 R462 mm |
| Rozměry topeniště | (Š x V x H) 590x360x320 mm |
| Terciální přívod vzduchu | Ano |
| Typ skla | panoramatické |
| Oplach skla | Ano |
| Sekundární spalování | Ano |
| Dotaz | 1 |
| Podíl do vzduchu | 4 kW |
| Záruka | 5 let |
| Minimální tah komína | 12 Pa |
| Jmenovitý výkon | 25 kW |
| Objem vodního výměníku | 36 l |
| Účinnost | 78 |
| Hmotnost | 211 kg |
| Průměrná teplota spalin | 278 °C |
| Model | AQUAFLAM 25 PANORAMA |
| Vytápěcí výkon | 21-30 kW |
| Max. provozní tlak | 2,5 bar |
| Výkon do výměníku | 21 kW |
| Klapka | Ano |
| Připojení kouřovodu | Horní |
| Délka polena | 550 mm |
| Průměr kouřovodu | 180 mm |
| Distribuce | CZ |
| Emise CO (Při 13% O2) | 0,1 |
| Externí přívod vzduchu | Ano |
| Materiál | ocelový plech 4 a 6mm |
| Normy | EN 13229, BImSchV – Stufe 2, 15a B-VG, DINplus, Flamme Verte |
| Ochlazovací smyčka | Ano |
| Palivo | dřevo, dřevěné brikety |
| Popelník | Ano |
| Rozměr skla | Š x V) 570x410 R462 mm |
| Rozměry topeniště | (Š x V x H) 590x360x320 mm |
| Terciální přívod vzduchu | Ano |
| Typ skla | panoramatické |
| Oplach skla | Ano |
| Sekundární spalování | Ano |
| Dotaz | 1 |
| Podíl do vzduchu | 4 kW |
| Záruka | 5 let |
| Minimální tah komína | 12 Pa |
| Jmenovitý výkon | 25 kW |
| Objem vodního výměníku | 36 l |
| Účinnost | 78 |
| Hmotnost | 211 kg |
| Průměrná teplota spalin | 278 °C |


Paletová přeprava po celé ČR.
Osobní odběr v naší prodejně v Litvínově.